The ZM3DW load cell XYZ utilizes independent wheatstone full bridge for each axis which provides mV/V output proportional to the applied force and requires no mathematical manipulation. Typical applications for this type of transducer are for example force exertion control in robotics, automotive crash testing, industrial test benches, grinding force control, actuator operating force measurement,etc.
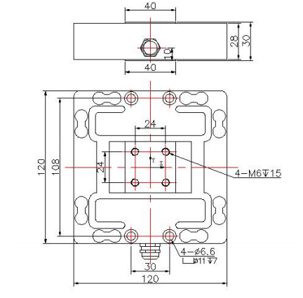
Dimensions in mm









IPv6 network supported