The ZM6DW is force and torque sensor in all 6 axis. The compact size makes load cell can be used in many applications. The sensor has low crosstalk and temperature compensated.
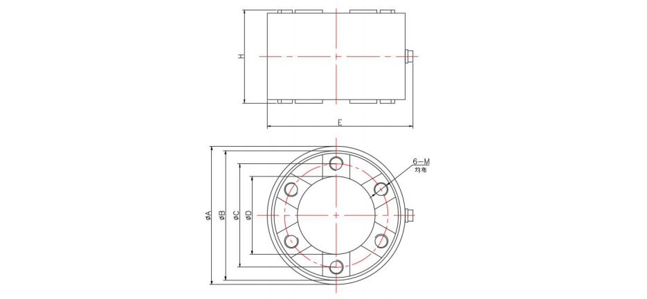
Dimensions in mm


The ZM6DW is 6 axis force torque load cell. The load cell Fxyz and Mxyz utilize independent wheatstone full bridge for each axis which provides mV/V output proportional to the applied force and requires no mathematical manipulation. Typical applications for this type of transducer are for example force exertion control in robotics, automotive crash testing, industrial test benches, grinding force control, actuator operating force measurement,etc.
Compact size
The ZM6DW is force and torque sensor in all 6 axis. The compact size makes load cell can be used in many applications. The sensor has low crosstalk and temperature compensated.
Dimensions in mm


|
PARAMETER |
VALUE |
UNIT |
|
Material |
Alloy steel |
|
|
Capacity |
5KN,10KN,15KN/250Nm,750Nm,1200Nm |
KN/Nm |
|
Sensitivity X-Axis |
0.5-1.0 |
mV/V |
|
Sensitivity Y-Axis |
0.5-1.0 |
mV/V |
|
Sensitivity Z-Axis |
0.5-1.0 |
mV/V |
|
Zero balance |
1 |
±% of rated output |
|
Input resistance X,Y-Axis |
350±5 |
Ohms |
|
Output resistance X,Y-Axis |
350±5 |
Ohms |
|
Input resistance Z-Axis |
350±5 |
Ohms |
|
Output resistance Z-Axis |
350±5 |
Ohms |
|
Insulation resistance |
5000 |
Mega-Ohms |
|
Accuracy |
1 |
±% of rated output |
|
Non linearity |
0.2 |
±% of rated output |
|
Hysteresis |
0.05 |
±% of rated output |
|
Temperature effect on min. dead load output |
0.0026 |
±% of rated output/℃ |
|
Temperature effect on sensitivity |
0.0015 |
±% of rated output/℃ |
|
Creep error (30 minutes) |
0.03 |
±% of rated output |
|
Crosstalk from X to Y |
1 |
±% of rated output |
|
Crosstalk from Y to X |
1 |
±% of rated output |
|
Crosstalk from Z to X/Y |
1 |
±% of rated output |
|
Crosstalk from X/Y to Z |
2 |
% of R.C |
|
Safe overload |
150 |
% of R.C |
|
Ultimate overload |
300 |
% of R.C |
|
Excitation, recommended |
10 |
Vdc |
|
Compensated temperature range |
-10 to +40 |
℃ |
|
Operating temperature range |
-20 to +60 |
℃ |
Scan to wechat :