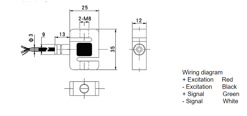
The ZMSSA is small size S type load cell, constructed with stainless steel. The compact size enables install with various automation equiment. The load cell has very good accuracy and stability. The dimensions can be unique based on your customer's requirements.
Dimensions in mm








IPv6 network supported